| Sign In | Join Free | My benadorassociates.com |
|
Brand Name : DEYE
Model Number : DY-RJ-U09
Certification : ISO9001:2015 PED
Place of Origin : CHINA
MOQ : 10PCS
Price : USD2-USD25 each
Payment Terms : T/T, L/C, D/P
Supply Ability : 1000pcs one month
Delivery Time : 20 days for usual order, 7 days for stocked items
Packaging Details : carton box+ ply wooden cases or carton+ Pallets
Types : Single Sphere Type, Twin Sphere Type, Double Sphere type, double ball type, Union Fittings Type
Rubber Material : EPDM, NBR, BUNA, Neoprene, VITON, PTFE, Hypalon
Flange Type : HDG, Electric. Galvanized, Zinc Coated, Stainless Steel
Rating : PN10 PN16 PN25 CL150LBS 150#
Size : 2" (DN50MM)-144"(DN3600MM)
EN545 Ductile iron GGG50 Dismantling Joints With Full Bolts
Dismantling Joints are designed to provide a simple method of installation and removal of flanged pipeline components such as valves, pumps and strainers from a pipeline. Dismantling Joints allow a variable setting distance of 50mm on site and are supplied complete, ready to be installed. Dismantling Joints are restrained products that prevent axial pipe movement, they are most suited to valve and pump chambers, and complex steel fitting installations
Specification:
•Design Standard: Design: BSEN545 /ISO2531
•Body material: GGG50,GGG40, ductile iron, carbon steel, stainless steel 304, 316, duplex ss
•Available gasket: EPDM, NBR
•Optional Tie rods: Full bolts, half bolts
•Bolts available for stainless steel 304, stainless steel 316, steel, Dacromet Steel.
•Pressure Range: PN10, PN16, PN25
•Size Range: DN100-DN2400
•Surface: Epoxy powder coated inside and outside.
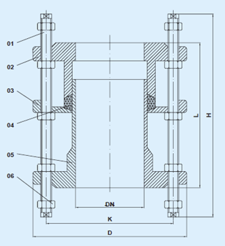
Technology/ Technical Data Sheets

| DN | PN10 | PN16 | PN25 | ||||||||||||
| L | D | K | H | STUD | L | D | K | H | STUD | L | D | K | H | STUD | |
| 40 | 180 | 150 | 110 | 330 | M16X4 | 180 | 150 | 110 | 330 | M16X4 | 190 | 150 | 110 | 340 | M16X4 |
| 50 | 180 | 165 | 125 | 330 | M16X4 | 180 | 165 | 125 | 330 | M16X4 | 200 | 165 | 125 | 350 | M16X4 |
| 65 | 180 | 185 | 145 | 330 | M16X4 | 180 | 185 | 145 | 330 | M16X4 | 200 | 185 | 145 | 350 | M16X8 |
| 80 | 200 | 200 | 160 | 350 | M16X8 | 200 | 200 | 160 | 350 | M16X8 | 210 | 200 | 160 | 360 | M16X8 |
| 100 | 200 | 220 | 180 | 350 | M16X8 | 200 | 220 | 180 | 350 | M16X8 | 220 | 235 | 190 | 370 | M20X8 |
| 125 | 200 | 250 | 210 | 350 | M16X8 | 200 | 250 | 210 | 350 | M16X8 | 220 | 270 | 220 | 380 | M24X8 |
| 150 | 200 | 285 | 240 | 350 | M20X8 | 200 | 285 | 240 | 350 | M20X8 | 230 | 300 | 350 | 390 | M24X8 |
| 200 | 220 | 340 | 295 | 380 | M20X8 | 220 | 340 | 295 | 380 | M20X12 | 230 | 360 | 310 | 400 | M24X12 |
| 250 | 220 | 400 | 350 | 380 | M20X12 | 230 | 400 | 355 | 400 | M24X12 | 250 | 425 | 370 | 430 | M27X12 |
| 300 | 220 | 455 | 400 | 390 | M20X12 | 250 | 455 | 410 | 420 | M24X12 | 250 | 485 | 430 | 440 | M27X16 |
| 350 | 230 | 505 | 460 | 400 | M20X16 | 260 | 520 | 470 | 440 | M24X16 | 270 | 555 | 490 | 470 | M30X16 |
| 400 | 230 | 565 | 515 | 410 | M24X16 | 270 | 580 | 525 | 460 | M27X16 | 280 | 620 | 550 | 490 | M33X16 |
| 450 | 250 | 615 | 565 | 430 | M24X20 | 270 | 640 | 585 | 470 | M27X20 | 280 | 670 | 600 | 490 | M33X20 |
| 500 | 260 | 670 | 620 | 450 | M24X20 | 280 | 715 | 650 | 490 | M30X20 | 300 | 730 | 660 | 520 | M33X20 |
| 600 | 260 | 780 | 725 | 460 | M27X20 | 300 | 840 | 770 | 520 | M33X20 | 320 | 845 | 770 | 560 | M36X20 |
| 700 | 260 | 895 | 840 | 460 | M27X24 | 300 | 910 | 840 | 520 | M33X24 | 340 | 960 | 875 | 590 | M39X24 |
| 800 | 290 | 1010 | 950 | 500 | M30X24 | 320 | 1025 | 950 | 550 | M36X24 | 360 | 1085 | 990 | 630 | M45X24 |
| 900 | 290 | 1115 | 1050 | 500 | M30X28 | 320 | 1125 | 1050 | 560 | M36X28 | 380 | 1185 | 1090 | 660 | M45X28 |
| 1000 | 290 | 1230 | 1160 | 510 | M33X28 | 340 | 1255 | 1170 | 600 | M39X28 | 400 | 1320 | 1210 | 690 | M52X28 |
| 1200 | 320 | 1455 | 1380 | 570 | M36X32 | 360 | 1485 | 1390 | 650 | M45X32 | 450 | 1530 | 1420 | 780 | M52X32 |
Features and Performance:
●The simplicity and versatility of the fittings make them suitable for many applications including pumping stations, water treatment works, sewage treatment works, plant rooms, meter chambers, power generation equipment, gas distribution stations.
●Deye’ s Dismantling Joints are particularly suitable for simplifying the installation & removal of isolation valves, control valves, check valves, non-return valves, flow metering valves, pump sets, pressure reducing valves, flanged pipe & fittings.
●Designed and manufactured to BS EN ISO 9001: 2008 and tested to the most exacting requirements of WRAS (Water Regulatory Advisory Scheme) for use with potable water.
●Full Range Sealing
For applications where a full-face flange is required. wafer and butterfly valves, the flange of the spigot piece provides a full flange sealing area.
●Excellent Corrosion Protection
The flange adaptor and flange spigot are coated with WRAS approved Rilsan Nylon 11 providing excellent protection from transport, storage, site and corrosion damage. The tie bars are Zn3 Zinc Plated as standard with other coatings, grades and finishes available on request. The nuts and bolts are Sheraplex coated to WIS-4-52-03, offering long term protection against corrosion.
●Ultimate Sealing Capability
The EPDM gasket is compressed independently of the tie bars with the sealing capability secured as soon as the fasteners reach required torque.
●Simple to Fit
Harnessing is accommodated within the bolt circle, eliminating other complex anchoring systems and reducing space requirements.
Application:
Sea water, fresh water, hot and cold water, drinking water, domestic sewage, crude oil, refined oil, air, gas, etc. working together with isolation valves to reduce the vibration in the piping system.
|
|
EN545 Ductile iron GGG50 Dismantling Joints With Full Bolts Images |